
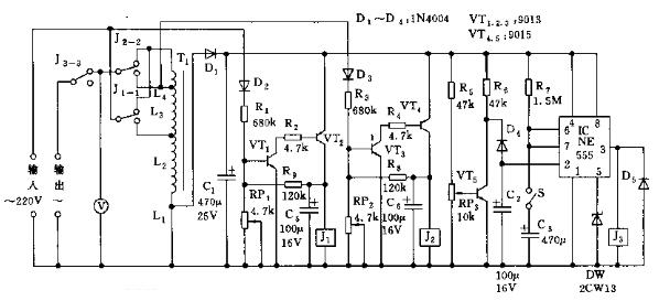
稳压器电路由稳压和保护两部分组成。输入交流电压在160V~250V范围内,输出稳定在220V正负10%以内。当输出电压超过250V时,自动切断负载;当瞬间断电发生时,保护器自动延时约6分钟后再接通电源。

如上图:VT1、VT2和VT3、VT4及一些阻容元件组成两个相同的复合放大器。它们的输入信号分别取自耦变压器不同的触点,经整流分压后加至VT1和VT3的极基。当输入电压低于190V时,J1、J2均不动作;当输入电压等于190V时,J2动作;当输入电压等于210V时,J1动作;当输入电压等于230V时,J3得电吸合,使输出的交流电压总是控制在220V左右。
过压延时保护电路由过压取样电路和以555为核心的单稳延时电路组成。当过压(大于250V)时,VT5饱和导通,555的2脚电位低于5脚的1/2V5时,555置位,3脚转呈高电平,继电器J3吸合,将负载电源切断。555的2脚接一个稳压二极管2CW13,其稳压在5~6.5V,将555集成块内部的比较器的基准电压箝在该电压值。调试时,用调压器将交流电压升至250V,然后调节RP3,使之进行过压保护。
之后,C3通过R7充电,当C3上电压高于6脚的触发电平(即5脚的V5)时,555复位,3脚呈低电平,J3断开,负载电源接通。C3通过R7充电到触发电平的时间,即保护延迟时间,大约为6分钟。
变压器T1采用截面积S=40×80铁芯,L1用φ0.6漆包线绕36圈,L2用φ0.6漆包线绕294圈,L3、L4用φ0.8漆包线各绕30圈,浸漆烘干。
以上是关于《单相全自动交流稳压器电路图》的相关内容,想了解更多电工资讯内容,请持续关注《四川电工考试网》。也可点击下方我要报名或填写下方报名咨询表单即可得到专业老师在线解答和报考服务哦~
