-
三相接触调压器接线图
【导读】三相接触调压器是由三只单相接触调压器组合而成的。它的调压范围为0~430V,三相接触调压器的A、B、C接线柱为输入端,接......[查看详情]
-
220v接触调压器接线图
【导读】接触调压器是一种电压比连续可调的自耦变压器。它是用在工业、农业等各个行业中调节电压的通用设备。它能带负载无级平滑地调节输......[查看详情]
-
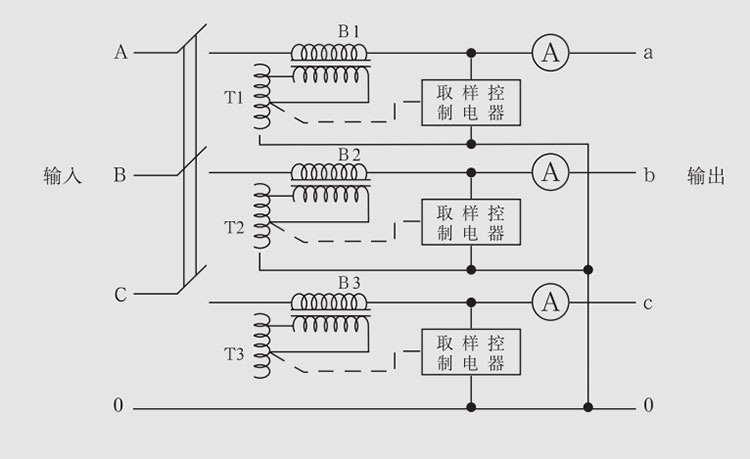
三相补偿式自动稳压器
【导读】S(三相)B(补偿式)W(稳压)系列三相补偿式自动稳压器(以下简称稳压器),是我厂引进、吸收西欧技术、同时结合我国国情,......[查看详情]
-
补偿式全自动稳压器接线图
【导读】补偿式全自动稳压器原理图补偿式全自动稳压器接线方法非常简单。首先交流补偿式全自动稳压器分为单相和三相两种。单相交流补偿式......[查看详情]
-
直流开关电源的工作原理
【导读】直流开关电源就是用通过电路控制开关管进行高速的导通与截止。将直流电转化为高频率的交流电提供给变压器进行变压,从而产生所需......[查看详情]
-
程控直流稳定电源使用注意事项
【导读】程控直流稳定电源检查电压调节旋钮是否已重置为零,将电流调节器设置为电源仪表和220V输入插头的所需值,然后将其连接至直流......[查看详情]
-
全自动单相交流补偿稳压器
【导读】全自动单相交流补偿稳压器由接触式自耦高压器、伺服式电动机、自动控制电路等组成,当电网电压不稳定或负载变化时,自动采样稳压......[查看详情]
-
补偿式稳压器技术参数
【导读】补偿式电力稳压器,专为稳定电压设计的产品,当外界供电波动或负载变化造成电压波动时,能自动保持输出电压的稳定。本系列产品具......[查看详情]

